Maxitronix-30in1-13
Appearance
This is project #13 of the Maxitronix-30in1.
The KiCad files for this project are here:
See KiCad for some notes about my KiCad configuration.
Scans
- Maxitronix-30in1-13-instructions.jpg
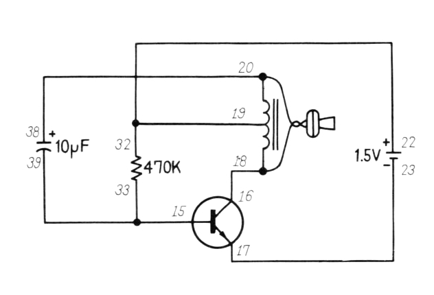
- Maxitronix-30in1-13-schematic.jpg
- Maxitronix-30in1-13-wiring.jpg


