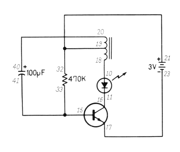
Maxitronix-30in1-11
Appearance
This is project #11 of the Maxitronix-30in1.
The KiCad files for this project are here:
See KiCad for some notes about my KiCad configuration.
Scans
- Maxitronix-30in1-11-instructions.jpg
- Maxitronix-30in1-11-schematic.jpg
- Maxitronix-30in1-11-wiring.jpg


