Maxitronix-30in1-10
Appearance
This is project #10 of the Maxitronix-30in1.
The KiCad files for this project are here:
See KiCad for some notes about my KiCad configuration.
Scans
- Maxitronix-30in1-10-instructions.jpg
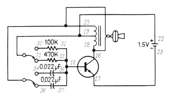
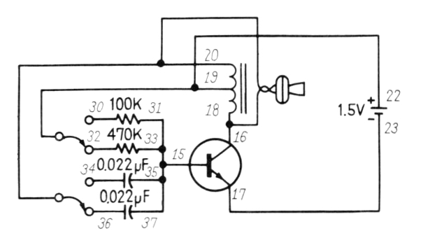
- Maxitronix-30in1-10-schematic.jpg
- Maxitronix-30in1-10-wiring.jpg


