Maxitronix-30in1-09
Appearance
This is project #9 of the Maxitronix-30in1.
The KiCad files for this project are here:
See KiCad for some notes about my KiCad configuration.
Scans
- Maxitronix-30in1-09-instructions.jpg
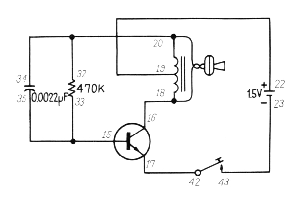
- Maxitronix-30in1-09-schematic.jpg
- Maxitronix-30in1-09-wiring.jpg


