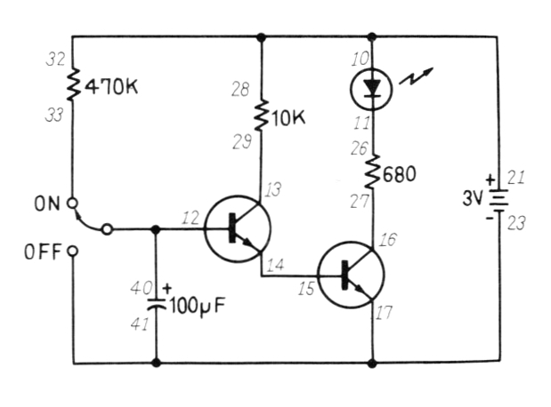
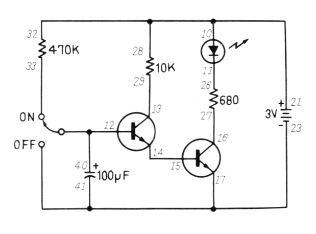
Maxitronix-30in1-08
Appearance
This is project #8 of the Maxitronix-30in1.
The KiCad files for this project are here:
See KiCad for some notes about my KiCad configuration.
Scans
- Maxitronix-30in1-08-instructions.jpg
- Maxitronix-30in1-08-schematic.jpg
- Maxitronix-30in1-08-wiring.jpg


