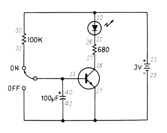
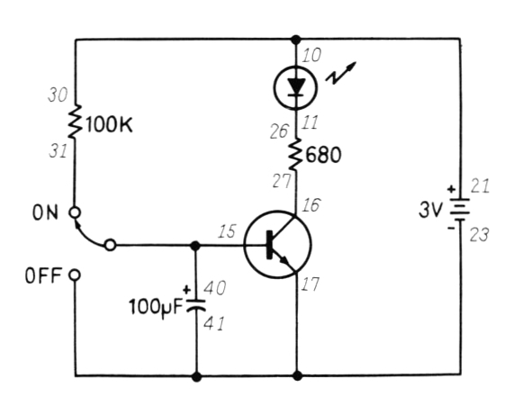
Maxitronix-30in1-07
Appearance
This is project #7 of the Maxitronix-30in1.
The KiCad files for this project are here:
See KiCad for some notes about my KiCad configuration.
Scans
- Maxitronix-30in1-07-instructions.jpg
- Maxitronix-30in1-07-schematic.jpg
- Maxitronix-30in1-07-wiring.jpg


