Maxitronix-30in1-05
Appearance
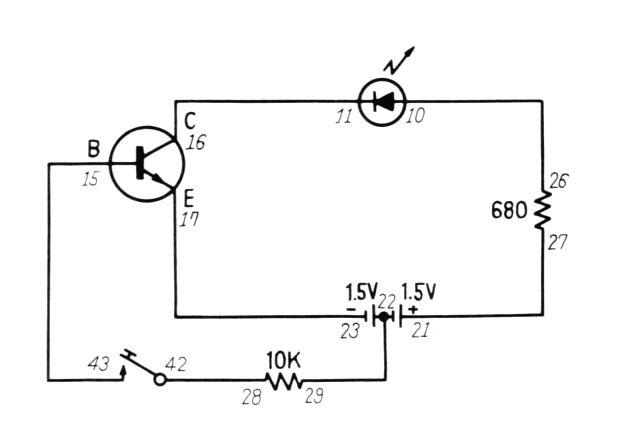
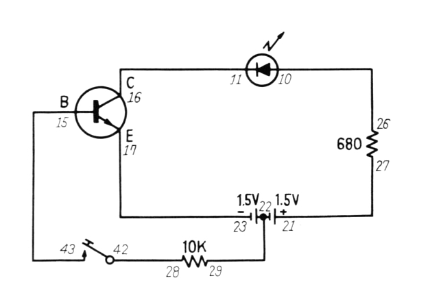
This is project #5 of the Maxitronix-30in1: The Transistor, an Electronic "Trigger".
The KiCad files for this project are here:
- https://github.com/jj5/kicad-bench/tree/main/maxitronix/30in1/Maxitronix-30in1-05
- https://github.com/jj5/kicad-bench/tree/main/maxitronix/30in1/Maxitronix-30in1-05-2
See KiCad for some notes about my KiCad configuration.
I needed some help with KiCad for this project and I found it over here:
Particularly I needed help with modeling an LED, among other things.
While I was working on this project I learned about the KiCad-Spice-Library.
Scans
- Maxitronix-30in1-05-instructions.jpg
- Maxitronix-30in1-05-schematic.jpg
- Maxitronix-30in1-05-wiring.jpg


