Maxitronix-30in1-04
Appearance
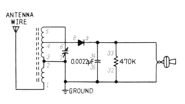
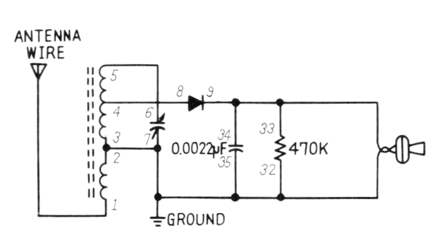
This is project #4 of the Maxitronix-30in1: The “Invisible Power” Radio.
There was no KiCad file created for this project. The problem was the antenna coil, I don't know how to model that in KiCad.
See KiCad for some notes about my KiCad configuration.
Scans
- Maxitronix-30in1-04-instructions.jpg
- Maxitronix-30in1-04-schematic.jpg
- Maxitronix-30in1-04-wiring.jpg


