Maxitronix-30in1-02
Appearance
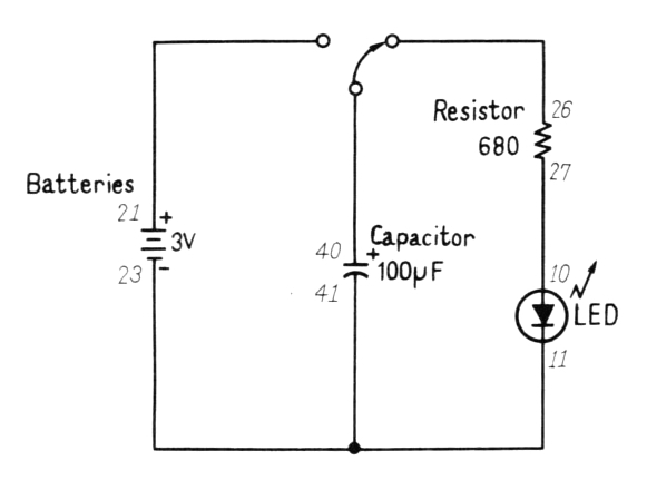
This is project #2 of the Maxitronix-30in1: The Electronic Storage Tank.
The KiCad project is here: Maxitronix-30in1-02.tgz.
See KiCad for some notes about my KiCad configuration.
Scans
- Maxitronix-30in1-02-instructions.jpg
- Maxitronix-30in1-02-schematic.jpg
- Maxitronix-30in1-02-wiring.jpg
- Maxitronix-30in1-02.jpg



